| K3PI40**AA(DC-AC)(480VAC) |
| |
|
型錄下載 Download PDF |
AC 固態繼電器 |
K3P40R25AA |
K3P40R40AA |
K3P40R50AA |
K3P40R75AA |
K3P40R90AA |
K3P40R100AA |
( 電感式負截 ) |
三相三線系列 |
|
 |
 |
| |
| 規格說明 |
型號. |
控制電壓範圍 |
釋放電壓 |
投入電阻
|
最大負
電流 |
負電壓範圍 |
最小破
壞電壓 |
開路時洩
漏電流 |
頻率範圍 |
最大瞬間
承受電流 |
目錄下載 |
K3P40R25AA |
80 ~ 280VAC |
MAX9.5VDC |
1.5Kohm |
25A |
48~480VAC |
1200VAC |
少於 10mA |
47~63Hz |
315A |
|
K3P40R40AA |
80 ~ 280VAC |
MAX9.5VDC |
1.5Kohm |
40A |
48~480VAC |
1200VAC |
少於 10 mA |
47~63Hz |
450A |
K3P40R50AA |
80 ~ 280VAC |
MAX9.5VDC |
1.5Kohm |
50A |
48~480VAC |
1200VAC |
少於 10 mA |
47~63Hz |
560A |
K3P40R75AA |
80~280VAC |
MAX9.5VDC |
1.5Kohm |
75A |
48~480VAC |
1200VAC |
少於 10mA |
47~63Hz |
750A |
K3P40R90AA |
80~280VAC |
MAX9.5VDC |
1.5Kohm |
90A |
48~480VAC |
1200VAC |
少於 10mA |
47~63Hz |
900A |
K3P40R100AA |
80 ~ 280VAC |
MAX9.5VDC |
1.5Kohm |
100A |
48~480VAC |
1200VAC |
少於 10 mA |
47~63Hz |
1030A |
|
| |
型號. |
瞬間電壓
變化率 |
通電之後
下降電壓 |
絕緣
電阻 |
介質耐壓
輸入 - 輸出 |
輸出 / 入端 對外殼
的瞬間耐壓強度 |
動作時間 |
釋放時間
|
容量進出 |
重量 (g) |
K3P40R25AA |
500  SEC |
1.6Vrms |
 ohm |
2500Vrms |
2500Vrms |
少於 1/2 循環 |
少於 1/2 循環 |
少於 473pf |
600 g |
K3P40R40AA
|
500  SEC |
1.6Vrms |
 ohm |
2500Vrms |
2500Vrms |
少於 1/2 循環 |
少於 1/2 循環 |
少於 473pf |
600 g |
K3P40R50AA |
500  SEC |
1.6Vrms |
 ohm |
2500Vrms |
2500Vrms |
少於 1/2 循環 |
少於 1/2 循環 |
少於 473pf |
600 g |
K3P40R75AA |
500  SEC |
1.6Vrms |
 ohm |
2500Vrms |
2500Vrms |
少於 1/2 循環 |
少於 1/2 循環 |
少於 473pf |
600 g |
K3P40R90AA |
500  SEC |
1.6Vrms |
 ohm |
2500Vrms |
2500Vrms |
少於 1/2 循環 |
少於 1/2 循環 |
少於 473pf |
600 g |
K3P40R100AA
|
500  SEC |
1.6Vrms |
 ohm |
2500Vrms |
2500Vrms |
少於 1/2 循環 |
少於 1/2 循環 |
少於 473pf |
600 g |
|
| |
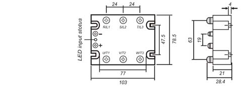
| 外形尺寸圖 ( 單位:mm) |
 |
| |
| EQUIVALENT CIRCUIT |
Example of 3£XSSR Application |
 |
|
|
| 特有曲線圖 |
|
| |