繁體中文

Solid State Relays
>>
   
 
Solid State Relay(S.S.R) KS Series (Mini TYPE)(DC-AC)
AC SOLID STATE RELAY
KS2002A DC—AC
KS2004A DC—AC
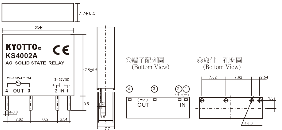
KS4002A DC—AC
KS SERIES
SPECIFICATIONS
 
KS2002A
3 TO 32 VDC
MAX10 VDC
1.5Kohm
2 A
24-280VAC
600 VAC
LESS 5 mA
47~70Hz
20A
KS2004A
3 TO 32 VDC
MAX1.0 VDC
1.5Kohm
4 A
24-280VAC
600 VAC
LESS 5 mA
47~70Hz
40A
KS4002A
3 TO 32 VDC
MAX10 VDC
1.5Kohm
2 A
24-280VAC
600VAC
LESS 5 mA
47~70Hz
20A
 
KS2002A
100 SEC
1.5VAC
ohm
2500 VACrms
___
LESS 2 mSec
LESS 1/2 AC CYCLE
LESS 15 PF
6 g
KS2004A
100 SEC
1.5VAC
ohm
2500 VACrms
___
LESS 2 mSec
LESS 1/2 AC CYCLE
少于15 PF
6 g
KS4002A
100 SEC
1.5VAC
ohm
2500 VACrms
___
LESS 2 mSec
LESS 1/2 AC CYCLE
LESS 15 PF

6 g

 
OUTLINE DIMENSIONS:  
EQUIVALENT CIRCUIT
CHARACTERISTIC CURVES :KS20 SERIES CHARACTERISTIC CURVES :KS40 SERIES
 
Kytech Electronics Ltd.
Kytech (Shenzhen) Electronics Ltd.

No.68, Ln. 131, Sec. 4, Fudan Rd., Pingzhen City, Taoyuan County 324, Taiwan (R.O.C.)

No.A306 Goldfields E-business Incubator,Tenglong Road,Longsheng Community,Longhua Town,Shenzhen,China
Tel :886-3-4930055
Tel :0755-28030048
Fax:886-3-4922455
Fax:0755-23705848
Copyright KYTECH ELECTRONICS, LTD. Taiwan Products , B2BChinaSources , B2BManufactures